Чтобы зимние виды спорта стали всесезонными
Слалом гигант, слалом и скоростной спуск
Очень зрелищные и популярные, олимпийские виды спорта, имеющие своих поклонников по всему миру. Они развиваются так же по всему миру и технологии отработаны до совершенства. Однако им присущ один, но очень существенный недостаток. На лето приходится останавливать тренировки. Конечно профессиональные команды найдут финансовые средства, чтобы находить место для тренировок по всему миру, но детско-юношеские команды не обладают настолько внушительным бюджетом. И хоть существуют водные лыжи, это не полноценный заменитель зимних скоростных лыж, поскольку в случае тренировок на воде работают совсем другие группы мышц. Кроме того, для тренировок на воде нужен катер, дополнительный человек за штурвалом катера. К тому же катер при своей работе на воде является источником повышенной экологической нагрузки на водную среду, да и содержание катера – дополнительная фыинансовая нагрузка для команды.



Воднолыжный спорт
В чистом виде водные лыжи тоже популярный вид с порта, однако не вошел в программу олимпийских игр по причине малого числа команд и малого числа государств, где этот вид спорта популярен. Развитие этого вида спорта затрудняет необходимость содержания буксировочного транспортного средства и обслуживающего персонала для него.



Ещё в советское время был разработан малогабаритный и мощный двигатель для речных транспортных средств, который отвечал самым высоким экологическим требованиям даже выше уровня мировых стандартов.

Предлагаемые инновационные доработки водных лыж
Авторское свидетельство SU № 242 696 от 27. 10. 1955 года, в котором описывается двигатель, который выступает в качестве движителя. Для придания движения водному транспортному средству не используется ни одной движущейся детали, а значит и смазка для них не нужна, так же как не требуется сжигания нефтепродуктов в качестве топлива. Поэтому предлагаемый двигатель абсолютно не загрязняет окружающую среду. Однако при внимательном изучении описания его работы я нашел существенный недостаток – необходим клапан для осуществления быстрого старта и один электрод (минусовый) должен иметь возможность регулировки зазора между электродами для ограничения мощности импульсов, а значит и скорости движения, что очень важно для тренировок юношеских, или малолетних групп на реках, озерах или на море.

Где:
1. Защитная сетка на входе;
2. Первая перегородка под клапан;
3. Ось клапана;
4. Крышка клапана;
5. Корпус водомета;
6. Перегородка для излучателя электрических импульсов;
7. Экран – отражатель гидроударных волн;
8. Положительный электрод;
9. Отрицательный электрод;
10. Перегородка с приливом по центру для регулировочного винта, позволяющего регулировать величину зазора (мощности водомёта).
Описание компактного водомёта для водных лыж
Принцип действия водомета
Электрогидравлический эффект (ЭГЭ)
В момент эл. разряда в воде, начиная с положительного электрода, в жидкости растет стример, с характеристиками как на рисунке. В момент замыкания электродов температура в канале стримера достигает 40 000 градусов по Цельсию. Длительность импульса разряда от 0,00001 до 100 мкс. Каждый разряд оставляет вдоль канала стримера паровую полость которая превращается в кавитационную после снятия напряжения и схлопывается с Рmax до 2000 Мпа.

Теория работы электрогидроэффекта
Этапы развития электрического заряда в ионопроводящей жидкости (водоповодная вода) – стримера.
б) «молодого» — начало развития; в) в конце импульса;

Где:
- Боковые «усы» развивающегося стримера;
- Газовая оболочка испарившейся жидкости вокруг канала стримера;
- Канал стримера к которому присоединяются «усы» в процессе роста;
- Канал «уса» стримера, который продолжает нарастать;
- Газовая оболочка «уса» стримера, которая нарастает со временем;
- Электрод.

При этом:
- С – емкость конденсатора, мкФ;
- R – активное сопротивление, Ом;
- L – индуктивность контура.
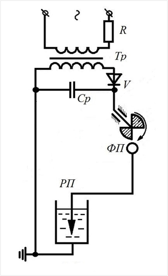
Работа генератора импульсов тока

Где:
- Тр – трансформатор тока;
- Тр – трансформатор тока;
- R – сопротивление;
- V – выпрямитель;
- Ср – конденсатор;
- Фп – формирующий промежуток;
- Рп – рабочий промежуток.

а) момент возникновения кавитирующего кольца; б) искажение паровой полости под влиянием кавитирующего кольца.
Где:
1. Электроды;
2. Кавитационная полость;
3. Кавитирующее кольцо;
4. Пузырьки кавитации;
5. Растянутые пузырьки.

Где:
- Электроды поперек преграды;
- Кавитационная полость;
- Граница кавитационой полости;
- Ударная волна, отраженная от преграды;
- Преграда;
- Точка встречи (гидроудар);
- Выброс жидкости.
Водомёт для серфинга и SUP — серфинга
Точно так же можно вставить водомет как в серфинг, так и в SUP – серфинг. Это не сложное и экологичное устройство поможет этим плавучим доскам перемещаться самостоятельно на спокойной воде с хорошей скоростью. Это избавит любителей серфинга от крупных финансовых затрат на поездки к местам, где гуляют крутые волны у побережья, что и позволит сделать этот красивый вид спорта массовым.






Ориентировочная стоимость НИ и ОКР
Конструкция предлагаемых водных лыж проста и не требует использования дорогих материалов при производстве. Наличие относительно небольшого количества деталей и широкое применение композитных материалов, также говорит о невысокой стоимости производства таких водных лыж.
По стоимости проведения НИ и ОКР по определению плавучести и жесткости водных лыж можно предположить – до 1 миллиона рублей;
Для изготовления, адаптации и проведения НИ и ОКР в отношении электрогидравлического двигателя — ориентировочно – до 1 миллионов рублей.
Примерно такой же будет стоимость проведения НИ и ОКР по адаптации водометов к серфингу и сап- серфингу.