Современные методы бурения
Современные методы бурения скважин имеют недостатки, которые связаны с особенностями оборудования, условиями работы и ограничениями по грунту для каждого метода. Ниже приведены примеры недостатков для популярных существующих методов:
Роторное бурение
- Высокая стоимость оборудования и материалов (буровой раствор).
- Сложность управления — необходимы профессиональные навыки и знания для управления оборудованием.
- Загрязнение буровыми растворами — они могут содержать химические вещества, которые загрязняют окружающую среду и водные ресурсы.
- Ограничения глубины — связаны с максимальной длиной штанги и ограничением мощности и энергии, которые можно подать на вращение буровой штанги.
Турбинное бурение
- Высокая стоимость оборудования и эксплуатации.
- Сложность в обслуживании и ремонте турбобура.
- Зависимость от качества бурового раствора.
- Ограниченная применимость в очень твёрдых породах.
Шнековое бурение
- Ограниченная глубина сверления — средний предел — 20–30 метров, максимум — около 40 метров при хороших условиях и мощной технике. За пределами этих значений шнек перестаёт эффективно выносить породу на поверхность, возрастает риск его заклинивания или поломки.
- Неэффективен в твёрдых и каменистых породах — если на участке встречаются скальные включения, валуны, галька или плотные песчаники, шнековый бур не сможет их разрушить.
- Вероятность осыпания стенок скважины — так как горизонтально-шнековое бурение идёт без промывки и не всегда сразу ставятся обсадные трубы, влажные и неустойчивые грунты могут осыпаться.
Гидробурение
- Ограниченная глубина — гидробурение эффективно только на неглубоких скважинах (до 50 метров) и. Для глубоких артезианских скважин этот метод не подходит.
- Не подходит для твёрдых грунтов, таких как гранит или сланец. Также гидробурение не рекомендуется применять для скальных и полускальных, песчаниковых, щебёночных и галечниковых участков, поскольку крупные валуны, камни и обломки породы вымыть из шахты водой практически невозможно.
- Не подходит для болотистых (тяжёлых и вязких) почв.
- Требует доступа к воде, поэтому на месте проведения работ должен быть источник воды или возможность её подачи.
- Гидравлическое давление может вызывать разрушение грунта и скалы, что приводит к провалам и обрушениям, особенно если грунт неустойчивый или скала слабая.
- Высокая стоимость оборудования и найма специалистов. Техника гидробурения сложная и требует наличия квалифицированных операторов.
- Экологические проблемы, связанные с большим расходом воды и выбросами грунта и скальных отходов, которые могут негативно влиять на прилегающую территорию и экосистему.
Однако из всех рассмотренных методов, именно гидробурение самый перспективный метод, который и предлагается модернизировать до уровня соответствия таким технологиям как плазменное воздействие на породу в забое скважин. Хотя технология плазменного бурения пока находится на стадии разработки и тестирования, она представляют собой перспективное направление для будущего бурения скважин. Эти методы позволяют разрушать горные породы без использования механического воздействия, что может значительно повысить скорость и эффективность бурения, а также снизить риск возникновения аварийных ситуаций.
Инновационная технология бурения
Такой инновационной технологией и является запатентованная технология бурения скважины с использованием электрогидроэффекта.
На эту технологию выдан патент RU 2830842 C1 от 29.08.2023 года.
Особенность этой технологии в том, что она позволяет бурение в экологически чувствительных районах, таких как арктические регионы, особо нуждающиеся в обеспечении максимальной защиты хрупкой экологии окружающей среды северных районов России потому, что не использует специальных буровых растворов, поскольку нет необходимости охлаждения бурового инструмента, в связи с тем, что бурение происходит без вращения бурового инструмента.
Технология бурения с использованием электрогидроэффекта позволяет существенно сократить затраты на разработку месторождений и ускорить процессы освоения месторождений потому, что при использовании этой технологии электрическая энергия непосредственно в самом забое переходит в механическую работу, разрушая горную породу. Для его осуществления
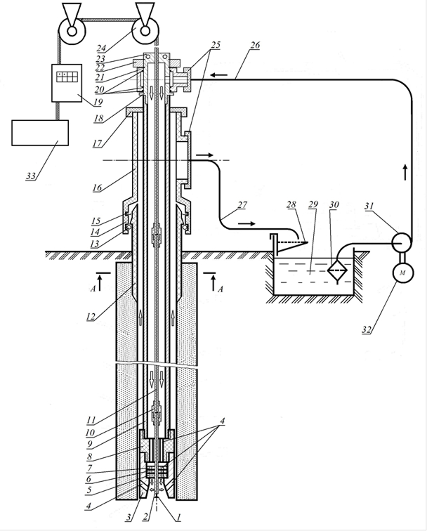
предназначен электрогидравлические бур, представленный на рис. 1.

Способ бурения скважин на воду с использованием электрогидроударного эффекта относится к машиностроению, точнее к устройствам, использующим в своей работе электрогидравлический эффект – эффект возникновения и схлопывания кавитационых пузырьков в буровом растворе на уровне забоя скважины.

Предлагаемое устройство содержит установленную в нижней части колонны буровых труб 9 буровую коронку 3, имеющую внутреннюю полость со стенками, имеющими угол наклона, позволяющий фокусировать гидроударные волны на поверхности породы забоя. Коронка имеет отверстия 4 для свободной циркуляции бурового раствора, имеющую быстросъемный центральный электрод 1, с диэлектрической защитой 2 повышенной прочности, соединенный с коаксиальным кабелем 11 стандартным, герметизированным разъёмом 10 (типа «папа-мама») и закрепленный в центре буровой коронки 3 с помощью изолирующей шайбы 5, прижатой металлической шайбой 6, соединенной с внешней, проводящей оплеткой коаксиального кабеля 11 неразъёмным соединением, и прижимным диском 7, имеющим резьбу для крепления внутри буровой коронки 3. Все три диска имеют отверстия 4 для свободной циркуляции бурового раствора. Буровая коронка 3 соединена с колонной бурильных труб 9 посредством переходной муфты 8, выполненной из диэлектрического материала, так же имеющей отверстия 4 для свободной циркуляции бурового раствора. Диаметр буровой коронки 3 имеет собственный диаметр больше диаметра труб буровой колонны 9, что позволяет обеспечить возврат бурового раствора на поверхность по меж стеночному пространству.
Далее буровой раствор из скважины попадает в навесное приспособление 16, называемое «Буратино», которое своим раструбом 14 одевается на верхнюю пластиковую трубу 12 обсадной колонны, имеющую специальный выступ для застопоривания запорного кольца 13, расположенного в специальной кольцевой канавке раструба 14 трубы «Буратино» на упругой, резиновой прокладке. Приспособление 16, «Буратино» имеет крышку 17 выполненную с герметизируемым резиновой манжетой (на разрезе не показана) отверстием предназначенным для прохода буровой колонны 9. Сама буровая колонна 9 заканчивается оголовком 18, с выполненными в верхней его части отверстиями, предназначенными для крепления подъемного механизма. На этот оголовок крепятся приспособления – боковой отвод 21 с крышкой 25, закрепленной на оголовке 18 гайкой 22, предназначенными удобства работы с буровым раствором. Пластиковые трубы в качестве обсадных могут выполнять роль изоляторов, для предотвращения попадания токов высокого напряжения на поверхность по мокрому грунту. Кроме того, раструб 14 имеет уплотнительную манжету 15, расположенную в другой кольцевой канавке раструба 14. Далее, через нижний боковой отвод и надетую на него крышку 25, в приспособлении «Буратино» 16, буровой раствор по возвратной линии трубопровода 27 (на разрезе показана схематично), через отделитель крупной фракции в буровом растворе 28 поступает в ёмкость – отстойник 29, откуда через фильтр 30, с помощью насоса 31, имеющего привод от двигателя 32 подается по напорной линии 26 в верхнюю часть приспособления «Буратино» 16 через крышку 25 насадки 23 на верхней трубе буровой колонны, , имеющей специальные отверстия для зацепления её подъемным устройством 24 и резьбу с гайкой 22, предназначенной для фиксации поворотного, бокового отвода 21, имеющего внутри резиновые манжеты уплотнения 20, позволяющие подавать буровой раствор в буровую колонну под давлением. В этой же насадке 23 имеется герметизированный выход для коаксиального кабеля 11, идущего через подъёмное устройство 24 к шкафу управления 19 и через него к источнику высокого напряжения 33.

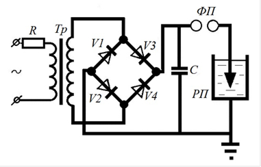
Генератор импульсов тока (ГИТ) (см рис. 3) предназначен для формирования многократно повторяющихся импульсов тока и работают в широком диапазоне напряжения (5 – 10 Кв), емкости конденсатора (0,1 – 10 000 мкФ), запасенной энергии нак — ля (10 – 10 00000 Дж), частоты импульсов 0,1 – 100 Гц).
Электрогидравлический эффект (ЭГЭ) – см рисунок 4.
В момент эл. разряда высокого напряжения в воде, начиная с положительного электрода, в жидкости растет стример.

Этапы развития электрического заряда в ионопроводящей жидкости (водопроводная вода) – стримера – показаны на рисунке 5:

б) «молодого» — начало развития; в) в конце импульса;
Где:
- Боковые «усы» развивающегося стримера;
- Газовая оболочка испарившейся жидкости вокруг канала стримера;
- Главный канал стримера, к которому присоединяются «усы» в процессе роста;
- Канал «уса» стримера, который продолжает нарастать;
- Газовая оболочка «уса» стримера, которая нарастает с увеличением «уса»;
- Электрод.
В момент замыкания электродов температура в канале стримера достигает 40 000 градусов по Цельсию.
Длительность импульса разряда от 0,00001 до 100 мкс. Каждый разряд оставляет вдоль канала стримера паровую полость, которая превращается в кавитационную после снятия напряжения и схлопывается с Рmax = 2000 Мпа. Такие показатели роста давления за такие короткие промежутки времени и приводят к тому, что при диаметре бура 40 мм и затрате энергии 25 Вт бур позволяет получить следующие скорости бурения, см/мин:
- Гранит раппакиви — 2;
- Криворожская железная руда — 8;
- Бетон на гранитном песке крупностью 3-5 мм — 50.
И совершенно не нужно вращать всю бурильную колонну.
И никаких ограничений глубины, связанных с максимальной длиной штанги и ограничением мощности и энергии, которые можно подать на вращение буровой штанги. Глубина скважины ограничивается длиной питающего кабеля и мощностью насоса, подающего буровой раствор. Сам же буровой раствор представляет собой простую воду, взятую из источника воды на поверхности и без какой – либо подготовки используемую для выноса продуктов разрушенного грунта из забоя скважины.
Стоимость
Кроме того, стоимость этого оборудования не высокая, поскольку не используются высоколегированные стали и сверхпрочные буровые алмазные и победитовые инструменты. Наоборот, используются очень дешевые конструкционные стали и токо-непроводящие изоляторы на основе пластмасс.
